-
3爪夹持
以内径为基准,抓取并卡紧加工件;
-
夹持的范围大
乐彩汇 夹持的范围大,可以更换顶部的夹爪,加工多个机种;
-
平行度和垂直度极高
乐彩汇 工件平行度和垂直度极高;
-
防尘防屑
乐彩汇 可防止异物进入卡盘本体内,结构可靠、耐用;

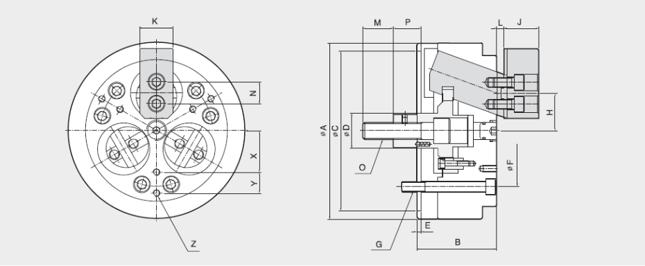
韩国三千里3爪内后拉卡盘DDO系列是一款后拉式卡盘,以内径为基准,抓取并卡紧加工件。
产品特点:
1.夹持的范围大,可以更换顶部的夹爪,加工多个机种;
乐彩汇 2.工件平行度和垂直度极高;
3.可防止异物进入卡盘本体内,结构可靠、耐用。
| 产品参数详情表 | ||||||||||
| 规格 | 最大拉杆拉力(kgf) | 最大拉杆拉力(kgf) | 卡爪行程(mm) | 柱塞行程(mm) | 夹持范围(standard) | 夹持范围(Top Jaw) | 最大转速(r.p.m) | 重量[kg] | 转动惯性[kgf.m²] | |
| DDO-06 | 2500 | 1500 | 5.8 | - | 35-140 | 70-140 | 5000 | 13 | 0.18 | |
| DDO-08 | 4500 | 2500 | 7.2 | - | 40-180 | 90-180 | 4500 | 26 | 0.66 | |
| DDO-10 | 6000 | 3500 | 10.8 | - | 50-220 | 100-220 | 4000 | 44 | 1.50 | |
| DDO-12 | 7500 | 4500 | 10.8 | - | 60-270 | 110-220 | 3500 | 68 | 2.90 | |
| DDO-15 | 9000 | 5500 | 14.5 | - | 250-340 | 200-340 | 1500 | 110 | 6.5 | |
以内径为基准,抓取并卡紧加工件;
乐彩汇 夹持的范围大,可以更换顶部的夹爪,加工多个机种;
乐彩汇 工件平行度和垂直度极高;
乐彩汇 可防止异物进入卡盘本体内,结构可靠、耐用;
品牌中心/ Brand center
从原料到成品,经过108道工序,采用德制设备及检测仪器来完成整套加工工序,不合格品一律报废处理,确保产品出厂合格率.
一手货源,没有中间商
产品被好的品牌选用,例如︰美国哈挺、日本津上、韩国斗山等
广泛应用于航天航空、精密模具、医疗器械等夹持有精度要求的行业
拥有设计团队,半小时内掌握需求,24小时内能出具方案给到您
乐彩汇 全国多个仓库,就近发货
3分钟内响应、当天了解、分析、解决客户对卡盘等夹具出现的一切顾虑问题
一线品牌,一级代理,快速选配,技术支持
微信咨询
400电话