-
补偿设计
补偿动力卡盘, 带顶尖设计,适合加工长轴类工件。
-
应用广泛
乐彩汇 轴向尺寸有要求时使用弹簧顶尖,对轴心要求高精度时可使用死顶尖。
-
长轴加工
是加工轴的专用卡盘。
-
优选材质
乐彩汇 使用优质的钢材,精密研磨,使用寿命长。

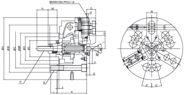
乐彩汇 韩国瑞岩SEOAM三爪补偿型卡盘(SM-COS)是一款补偿动力卡盘, 带顶尖设计,适合加工长轴类工件。
乐彩汇 产品特点:
1、是加工轴的专用卡盘。
2、轴向尺寸有要求时使用弹簧顶尖,对轴心要求高精度时可使用死顶尖。
| 产品参数详情表 | ||||||||||||
| 规格 | 爪行程直径(mm) | 柱塞行程(mm) | 夹持力(max) | 夹持力(min) | 输入力(kgf) | 静夹持力(kgf) | 转速(r.p.m) | 重量(kg) | ||||
| SM-COS 06 | 7 | 15 | 33 | 15 | 11.8 | 23.5 | 2800 | 16 | ||||
| SM-COS 08 | 2 | 8 | 38 | 18 | 17.7 | 41.2 | 2800 | 25 | ||||
| SM-COS 10 | 10 | 25 | 52 | 22 | 23.5 | 58.8 | 2400 | 37.5 | ||||
补偿动力卡盘, 带顶尖设计,适合加工长轴类工件。
乐彩汇 轴向尺寸有要求时使用弹簧顶尖,对轴心要求高精度时可使用死顶尖。
是加工轴的专用卡盘。
乐彩汇 使用优质的钢材,精密研磨,使用寿命长。
品牌中心/ Brand center
从原料到成品,经过108道工序,采用德制设备及检测仪器来完成整套加工工序,不合格品一律报废处理,确保产品出厂合格率.
一手货源,没有中间商
产品被好的品牌选用,例如︰美国哈挺、日本津上、韩国斗山等
乐彩汇 广泛应用于航天航空、精密模具、医疗器械等夹持有精度要求的行业
乐彩汇 拥有设计团队,半小时内掌握需求,24小时内能出具方案给到您
乐彩汇 全国多个仓库,就近发货
乐彩汇 3分钟内响应、当天了解、分析、解决客户对卡盘等夹具出现的一切顾虑问题
乐彩汇 一线品牌,一级代理,快速选配,技术支持
微信咨询
400电话